Ticker

6/recent/ticker-posts

Advertisement

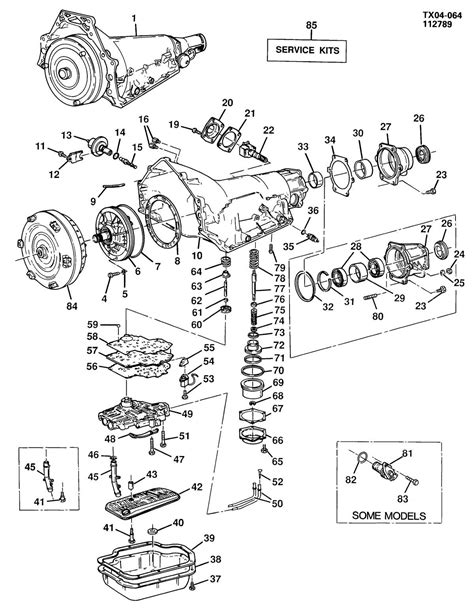
Download Chevrolet Manual Transmission Parts

At present you are looking with regard to an Chevrolet Manual Transmission Parts example of which we provide here inside some type of document formats such as PDF, Doc, Energy Point, and also images of which will make it easier for you to create an Chevrolet Manual Transmission Parts yourself. For a clearer look, you may open several examples below. All the illustrations about Chevrolet Manual Transmission Parts with this site, we get from many sources so you could create a better file of your own.

If the search you get here does not complement what you are looking for, please use the research feature that we have provided here. You are usually free to download something that we provide here, it will not cost you the slightest.

DOWNLOAD HERE

You know that reading Chevrolet Manual Transmission Parts is effective, because we could get enough detailed information online through the reading materials. Technologies have developed, and reading Chevrolet Manual Transmission Parts books might be far more convenient and simpler. We are able to read books on the mobile, tablets and Kindle, etc. Hence, there are several books entering PDF format.

Several websites for downloading free PDF books which you could acquire as much knowledge as you desire. Nowadays everybody, young and aged, should familiarize themselves with the growing eBook industry. Ebooks and eBook viewers provide substantial benefits above traditional reading. Ebooks reduce down on the employ of paper, as recommended by environmental enthusiasts. There are no fixed timings for study. There will be no question of waiting-time for new editions. There is no transportation to the eBook shop. The particular books in a eBook store can be downloaded immediately, sometimes for free, sometimes for any fee.

Not simply that, the online edition of books are generally cheap, because publication homes save their print and paper machinery, the rewards of which are passed on to customers. Further, the reach of the e book shop is immense, permitting someone living in Quotes to source out to a publication house inside Chicago. The newest trend in the online e book world is what are called eBook libraries, or e book packages. An eBook bundle is something unusual. This consists of a huge number of ebooks bundled up together that are not necessarily easily obtainable at one solitary place. So instead of hunting down and purchasing, say 100 literary classics, you can aquire an eBook bundle which contains all these ebooks bundled together. These kinds of eBook libraries typically offer a substantial savings, and are usually offered inside a number of formats to fit your brand of eBook reader. Large companies, such as Amazon or Barnes as well as Noble, tend to not necessarily carry these eBook libraries. If you want to purchase one of these libraries, you will have to search out independent eBook outlets. These independent eBook outlets typically package the e book libraries by genre, and have a lot of genres.